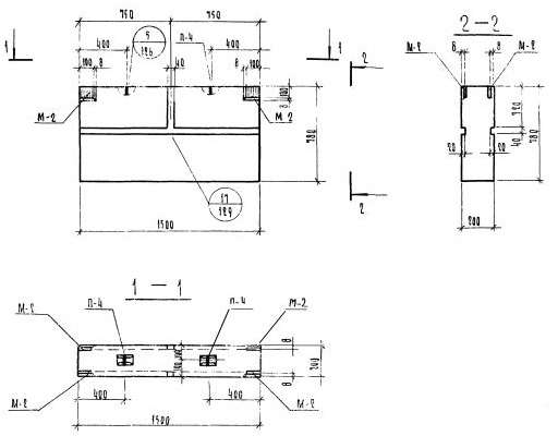
СБВ-15.2.8т

Чертеж изделия:
Чертеж СБВ-15.2.8т
Характеристики изделия:
ПараметрЗначение
Длина1500 мм
Ширина200 мм
Высота780 мм
Масса780 кг
Нормативный документСерия 1.134-1

Блоки внутренних  стен  по Серии 1.134-1.

СБВ-15.2.8т   Стеновой блок внутренний.